广州乐思体育有限公司
联系人:雷先生
手 机:88888888099
电 话:88888888
传 真:88888888
Q Q:888888881
网 址:
邮 箱:
地 址:广州开发区青年路9号
量程范围(kg) :500、1000、2000、3000、5000、10000、20000
功能特点:传感器弹性体采用合金钢材质;可提供焊接密封 ; 高精度,高可靠性。
应用范围: 广泛应用于电子台秤、汽车衡、地磅秤等各种称重测力设备。
技术指标明细:
精度等级 : C2 / C3 综合误差(%F.S) : ±0.03 / ±0.02 灵敏度(mv) : 3.0±0.003 蠕变(%F.S/30min) : ±0.023 / ±0.016 零点输出(%F.S) : ±1.0 输入阻抗(Ω) : 350±5 输出阻抗(Ω) : 350±3 绝缘电阻(MΩ) : ≥5000(100VDC) | 灵敏度温度影响(%F.S/10℃): ±0.017 / ±0.011 零点温度影响(%F.S/10℃) : ±0.029 / ±0.019 温度补偿范围(℃ ) : -10~+40 使用温度影响(℃ ) : -20~+55 激励电压(V) : 9~12(DC) 安全过载范围 (%F.S) : 150 极限过载范围 (%F.S) : 200 防护等级 : IP66 |
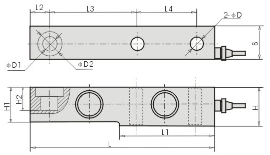
安装尺寸规格图 (单位mm):

量程(kg) L L1 L2 L3 L4 D D1 D2 H H1 H2 B
500--3000 203 95 22 98 64 13 16 32 43 37 30 37
5000 235 110 22 124 66 21 22 38 52 48 30 48
10000 279 133 32 140 82 28 32 48 67 60 20 60
20000 318 153 38 159 89 34 38 54 82 70 24 70
接线方式:
红线: 激励 ( +) 111 绿线: 信号 ( +)
黑线: 激励 ( -) 111 白线: 信号 ( -)
备注:采用四芯屏蔽电缆,标准线长为3米,如有特殊需要,可根据客户要求提供!
受力示意图:
