广州乐思体育有限公司
联系人:雷先生
手 机:88888888099
电 话:88888888
传 真:88888888
Q Q:888888881
网 址:
邮 箱:
地 址:广州开发区青年路9号
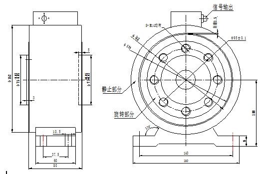
DTNJ--906盘式动态扭矩传感器
一、特点: 本系列扭矩传感器是在标准测扭应变传感器的基础上研制开发的专门传递扭矩参数的信号耦合器。
SN-906型扭矩信号耦合器是SN-90系列扭矩信号耦合器的轴向长度最短形式. 本系列扭矩信号耦合器具备:
1. 扭矩测量功能;能源及信号非接触传递功能;输出信号数字化功能;
2. 可以传递静止扭矩信号、旋转扭矩信号、动态扭矩信号、静态扭矩信号;
3. 传递信号时与是否旋转,转速和转向无关;
4. 静止外壳和旋转盘之间无轴承,可以适应长时间,高转速运转;
5. 精度高,稳定性好;5体积小,重量轻,易于安装;
6. 不需反复调零即可连续传递正反转扭矩信号;
7. 没有集流环等磨损件,可以高转速长时间运行;
8. 抗干扰性强;
9. 可任意位置,任意方向安装.
二.技术指标
1. 量程范围:0-1000N•m;
2.精 度:0.5%F•S;
3.适用转速10000转/分以下.
4.环境温度:0℃-50℃
5.频率响应:100 μs
6.自重= 9Kg
7.输出信号: 0-12v方波频率; 负载电流<10mA. 零扭矩:10KHZ ; 正向满量程:15KHZ ; 反向满量程:5KHZ;
8.信号插座 : (1)0V. (2)+15V. (3)-15V. (4)空 .(5)扭矩信号.
三.安装
1.SN-906型扭矩信号耦合器由静止外壳和旋转盘两部分组成.
2.将旋转柱的两端通过法兰联轴器分别与动力或负载联接.
3.静止外壳固定在基座上,调整间隙,保证静止外壳与旋转柱之间不可接触!
四.信号处理
1. 使用SN90系列扭矩仪直接显示扭矩值;
2. 直接将扭矩频率信号送给计算机或PLC进行处理;
3.外接SX-90F模块可转换为4—20m A或1—5V模拟信号.
五.使用注意:
1. 接线必须正确;
2. ±15V的范围:不得低于± 14.5V 不得高于± 15.5V ;
3. 信号线输出不得对地,对电源短路,输出电流不大于10mA;
4. 屏蔽电缆线的屏蔽层必须与±15V电源的公共端(电源地)连接。
5. 使用中如有疑问请及时与本公司联系,保修期之内不得自行拆卸。
6. 旋转轴方向请勿严禁装反,和外壳方向标志一一对应,即:正向-正向,反向对反向;
7. 在通电状态时,绝对不可以将旋转柱从外壳中退出!电路极易损坏
